Model: RE13-SAC
Manufacturer: SICK, Inc.
Description: Magnetic Reed Switch Magnet NO/NC Connector Flange Mount
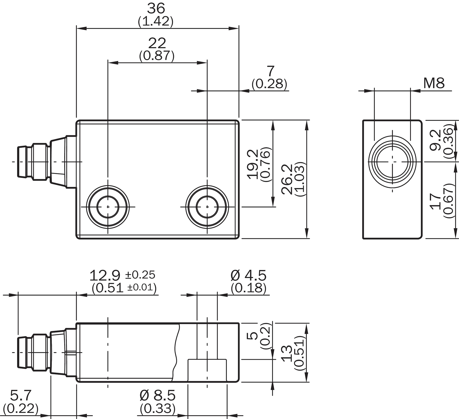
Dimensional drawing Dimensions in mm (inch)

Response range

Pin assignment REx3: sensor connections (plug M8)

Sensor timing

Datasheet
Type: Reed Switch
Output Type: NO/NC
Connection type: Plug connector, M8, 4-pin
Termination Style: Connector
Actuator Material: Magnet
Package / Case: Flange Mount
Number of N/O contacts: 2
Number of N/C contacts: 0
Voltage – Supply: 30V
Switching voltage: ≤30V DC
Switching current: ≤100mA
Operating Temperature: -20°C ~ 60°C
Dimensions: 26 x 36 x 13mm (W x H x D)
Enclosure rating: IP67 (IEC 60529)
Weight: 0.1kg




